Pro dálkové ovládání kladkostroje KITO EDIII je nejlepší volbou dvourychlostní rádiové ovládání ARC Flex HANDY, 48-400 VAC.
Jednorychlostní kladkostroje KITO EDIII se k přijímači rádiového ovládání Flex HANDY připojí jednoduše, přijímač nevyžaduje úpravu. Schéma zapojení pošleme na vyžádání společně s ovládáním.
Pro ovládání dvourychlostních kladkostrojů je nutné upravit přijímač, protože dvourychlostní kladkostroje EDIII mají jiné ovládací napětí relé první a druhé rychlosti. Relé druhé rychlosti je jedno, společné pro oba směry.
Úprava přijímače nového Flex HANDY je zdarma.
Následné úprava je zpoplatněna a ovládání nám musíte poslat.
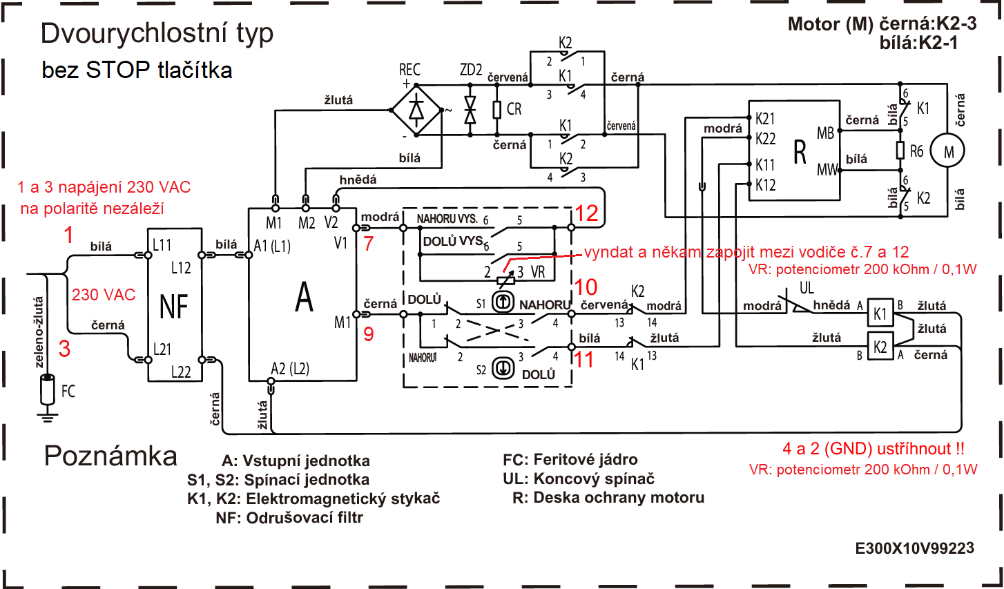
Zapojení kabelu upraveného přijímače a jeho připojení ke kladkostroji jsou na obrázcích níže.

- Čísla vodičů výstupního kabelu jsou uvedena v kroužcích na obrázku.
- Napájení 230 VAC zapojte na svorky č. 1 a č. 3.
- Relé FUNC (K10) nemá přiřazenou žádnou funkci a nikdy nesepne. Vodič č. 8 není třeba izolovat.
- Na vodiči č. 4 je NC kontakt STOP relé. Pokud není využit jinak, je nutné vodič izolovat.


Rádiová ovládání Flex HANDY je možné nastavit tak, že nastartují stiskem libovolného tlačítka a nebudou vyžadovat povel START (a to ani k prvnímu startu po zapnutí).
- Vodič č. 4 (NC kontakt STOP relé) je nutné zaizolovat.
- Ochranný vodič GND se nezapojuje a je odstraněn.
- Napájení přijímače 230 VAC se zapojí na vodiče č. 1 a 3 výstupního kabelu přijímače. Současně se tyto vodiče připojí na bílý (L11) a černý (L12) vodič odrušovacího vstupního filtru (NF) kladkostroje. Na polaritě kam připojit fázi a kam nulu nezáleží ani u kladkostroje ani u přijímače.
- Vstup STOP relé je na vodiči č. 5, výstup NO kontaktů je na vodiči č. 6.
- Vstup relé prvních rychlostí (č. 9) se musí spojit s NO kontaktem STOP relé (č. 6).
- Výstupy relé prvních rychlostí jsou na vodičích č. 10 a 11.
- Relé K10 nemá přiřazenou žádnou funkci a nikdy nespíná. Jeho vstup (vodič č. 7) je současně i vstupem pro ovládací napětí druhé rychlosti. Výstup relé zůstává na původním kabelu č. 12.
- Z původního závěsného ovladače KITO EDIII se musí vyndat potenciometr pro nastavení pomalé rychlosti, vhodně ho umístit do kladkostroje a zapojit ho mezi vodiče č. 7 a č. 12.
- Pokud nemáte původní originální závěsný ovladač musíte potenciometr koupit.
Jeho hodnota je 200 kΩ / 0,1 W. Zapojí se jako proměnný odpor (jezdec a jeden konec dráhy). - Pokud nemáte původní originální závěsný ovladač je z desky vyveden nezapojený žlutý vodič. Vodič připojte na vodiče č. 6 a 9 kabelu přijímače HANDY.
S případnými dotazy se obraťte na servis TER ČESKÁ.

